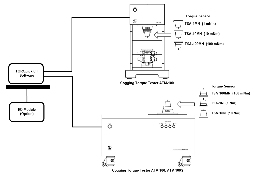
ATM-100, ATV-100, ATV-100S, TORQuick CT



To reduce motor noise and vibration, cogging torque must be measured and reduced. Sugawara’s Cogging Torque and Torque Ripple Test Systems can measure cogging torque with high accuracy and no mechanical loss for a variety of motors (DC, DC brushless, AC servo, stepping, etc.). These systems can play a significant role in motor development and quality management.
Motor Testing Equipment(PDF: 4.6MB)
Cogging Torque and Torque Ripple Test Systems (PDF:1.1MB)
Supports a wide range of torque values at low cost through the switching of torque sensors
Measurement angle resolution: 0.01°
Maximum number of data items collected per revolution: 36,000
Measurements can be completed in as little as 1.2 s (drive speed of 50 r/min).
A vertical structure simplifies axial alignment and shortens measurement time.
Determines number of peaks by FFT and supports frequency analysis
Features a polar coordinates display function
Supports voltage and current measurements
Measurement of resolver/hole sensor output contributes to improved controllability(using optional I/O module).

The ATM-100, ATV-100, and ATV-100S Cogging Torque Tester connect directly to a personal computer running Windows. Users can switch between five types of torque sensors from 1 mNm to 10 Nm on their own.
Connecting the I/O module to the personal computer enables input of externally measured data such as voltage, current, and temperature and provides for ON/OFF control of the test-motor power supply.
The dedicated software TORQuick CT can display the measurement data on an XY coordinates graph, polar coordinates graph, or FFT graph.




Vertical sensors use no axle bearings thereby eliminating mechanical loss that can lead to measurement error. A vertical arrangement also simplifies alignment of the sensor shaft and motor shaft.
An XYZ stage for the ATM-100 and a standard motor fixing jig for the ATV-100 and ATV-100S are provided.
Sugawara accepts requests for the manufacture of specialized jigs and couplings according to motor type, shape, and torque characteristics. Customers can also contact us about measurement of fan and pump motors with no protruding shaft.



Connecting the I/O module to a personal computer via a USB connection enables input of up to 8 channels of external data and simultaneous display of angle-torque characteristics. Units and scaling/offset values can be set. Various types of data such as voltage, current, temperature, and motor rotation position from a position sensor can be simultaneously displayed to support motor-control development.


| Cogging Torque Tester | ATM-100 | ATV-100 | ATV-100S | ||||||
|---|---|---|---|---|---|---|---|---|---|
| Rated torque | TSA-1MN: 1 mNm TSA-10MN: 10 mNm TSA-100MN: 100 mNm |
TSA-100MN: 100 mNm TSA-1N: 1 Nm TSA-10N: 10 Nm |
|||||||
| Torque accuracy | ±0.5% of rated torque | ||||||||
| Rotation speed | 0.1-20 r/min (at intervals of 0.1 r/min) | 0.1-50 r/min (at intervals of 0.1 r/min) | |||||||
| Angle resolution | 0.01° | ||||||||
| Number of acquired data items and Sampling interval |
Rotation speed [r/min]
0.1~1.5 |
Data items
36,000 |
Sampling interval
0.01° |
Rotation speed [r/min]
0.1~1.5 |
Data items
36,000 |
Sampling interval
0.01° |
|||
| Power | 90VAC-240VAC,50/60Hz | ||||||||
| Connection with personal computer | USB (RS422 can be selected as an option at ordering time) | ||||||||
| Dimensions | 300 mm (W)×350mm (D)×540 mm (H) 300 mm (W)×350 mm (D)×758 mm (H) (∗1) |
600 mm(W)×350 mm(D)×391 mm(H) | |||||||
| Weight | 70 kg 80 kg (∗1) |
75 kg | |||||||
(∗1 HC-ATM-100 height option can be selected.)

The ATM/ATV series has a vertical shaft, so the Calibration Jig Set converts the vertical force of the weight into a horizontal force when calibration. Specialized calibration jigs, calibration bars, and weights are sold separately.